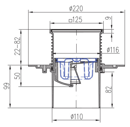
Floor drain with bottom outlet black D110, stainless steel flange, grid LABYRINTH black
Parameters
- Material type
- nerez, polypropylen, polystyren
- Waste connection type
- vertikální
- Waste connection diameter
- 110
- Waste connection flowrate
- 32-72
- Load class
- K3
- Load class for gratings
- 300
