Drenaje de suelo negro, inferior D40, ala de acero inoxidable, rejilla FACE negro
Parámetros
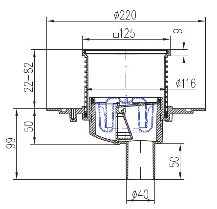
- Druh materiálu
- nerez, polypropylen, polystyren
- Připojení odpadu typ
- vertikální
- Průměr připojení odpadu
- 40
- Připojení odpadu průtok
- 42-68
- Třída zatížení
- K3
- Třída zatížení pro rošty
- 300
